Product Features

  • Low headroom design.
  • Swivel hooks with latches standard.
  • Adjustable spreads on 1′ increments.
  • Faspins for easy crossarm adjustment.
  • Complies with ASME standards.

Product Specifications


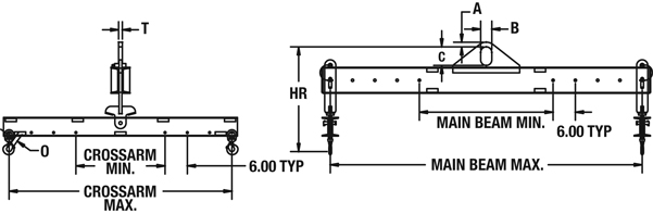
Model 27SD Specifications
Model Number Cap. (tons) Main Beam Max Spread (in.) Main Beam Min Spread (in.) Crossarms Max Spread (in.) Crossarms Min Spread (in.) A (in.) B (in.) C (in.) T (in.) O (in.) HR (in.) Weight (lbs.)
27SD-3-84/60 3 84 36 60 24 1.25 3 5 1 0.97 28.2 375
27SD-5-120/96 5 120 48 96 36 2 4 7 1.25 1.06 32.7 760
27SD-10-144/96 10 144 72 96 36 2 4 7 1.25 1.41 42.0 1530