Close Stacking C-Hook
Product Features
- Recessed counterweight allows for close stacking of coils which
maximizes floor space. - Handles a wide range of coil widths.
- Designed for heavy duty application.
- High tensile alloy steel plate reduces physical size and weight.
- Counter balanced to hang level when empty.
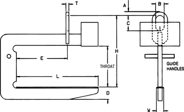
- Inside radius on hooks avoid coil edge contact.
- Curved coil saddle is standard.
- Guide handle for ease of hook positioning.
- Available with optional padding for additional coil protection.
- Complies with ASME standards.
Product Specifications

| Model 82RC Specifications | |||||||||||||
|---|---|---|---|---|---|---|---|---|---|---|---|---|---|
| Model numbers shown in red are part of our QUICKSHIP program. | |||||||||||||
| Model Number | Capacity (tons) | Max Width (in.) | Min Width (in.) | Throat (in.) | L (in.) | D (in.) | W (in.) | HR (in.) | A (in.) | B (in.) | C (in.) | T (in.) | Weight (lbs) |
| 82RC-5-36 | 5 | 36 | 24 | 24 | 30 | 5-5/16 | 4 | 37-1/4 | 1-1/2 | 4 | 7 | 1-1/4 | 550 |
| 82RC-5-48 | 5 | 48 | 30 | 24 | 39 | 6-1/8 | 4 | 38-1/16 | 1-1/2 | 4 | 7 | 1-1/4 | 707 |
| 82RC-5-60 | 5 | 60 | 36 | 24 | 48 | 6-15/16 | 4 | 38-15/16 | 1-1/2 | 4 | 7 | 1-1/4 | 853 |
| 82RC-7 1/2-36 | 7-1/2 | 36 | 24 | 24 | 30 | 5-5/8 | 4 | 37-1/2 | 1-1/2 | 4 | 7 | 1-1/2 | 750 |
| 82RC-7 1/2-48 | 7-1/2 | 48 | 30 | 24 | 39 | 6-3/8 | 4 | 38-1/4 | 1-1/2 | 4 | 7 | 1-1/2 | 996 |
| 82RC-7 1/2-60 | 7-1/2 | 60 | 36 | 24 | 48 | 6-15/16 | 4 | 39 | 1-1/2 | 4 | 7 | 1-1/2 | 1161 |
| 82RC-10-48 | 10 | 48 | 30 | 24 | 39 | 7-3/16 | 4 | 41-1/4 | 2 | 5 | 9 | 1-3/4 | 1200 |
| 82RC-10-60 | 10 | 60 | 36 | 24 | 48 | 7-5/8 | 4 | 41-1/2 | 2 | 5 | 9 | 1-3/4 | 1645 |
| 82RC-10-72 | 10 | 72 | 42 | 24 | 57 | 7-1/4 | 4 | 41-1/8 | 2 | 5 | 9 | 1-3/4 | 2100 |
| 82RC-15-48 | 15 | 48 | 30 | 30 | 39 | 7-1/4 | 4 | 47-7/8 | 2 | 5 | 9 | 1-3/4 | 2054 |
| 82RC-15-60 | 15 | 60 | 36 | 30 | 48 | 8 | 4 | 48 | 2-1/4 | 5 | 9 | 1-3/4 | 2410 |
| 82RC-15-72 | 15 | 72 | 42 | 30 | 57 | 8-3/4 | 4 | 48-3/4 | 2 | 5 | 9 | 1-3/4 | 2814 |
| 82RC-20-60 | 20 | 60 | 36 | 30 | 48 | 9-1/8 | 4 | 52-1/8 | 2-1/4 | 6 | 12 | 2 | 2864 |
| 82RC-20-72 | 20 | 72 | 42 | 30 | 57 | 9-3/4 | 4 | 52-1/2 | 2-1/4 | 6 | 12 | 2 | 2951 |
| 82RC-25-60* | 25 | 60 | 36 | 34 | 48 | 9 | 4 | 57-3/4 | 2-1/2 | 6 | 14 | 2-1/4 | 3077 |
| 82RC-25-72* | 25 | 72 | 42 | 34 | 57 | 9-3/4 | 4 | 58-3/4 | 2-1/2 | 6 | 14 | 2-1/4 | 3570 |
| 82RC-30-60* | 30 | 60 | 36 | 34 | 48 | 9-7/8 | 4 | 58-3/4 | 2-3/4 | 6 | 14 | 2-1/2 | 3480 |
| 82RC-30-72 | 30 | 72 | 42 | 34 | 57 | 10-5/8 | 4 | 59-3/8 | 2-3/4 | 6 | 14 | 2-1/2 | 4260 |
| 82RC-40-72* | 40 | 72 | 42 | 38 | 57 | 11 | 5 | 68 | 3-1/4 | 7 | 18 | 3 | 6100 |
|
* Counterweight extends beyond arm one-half of the counterweight width, in capacities 25 ton and greater.
Other sizes available, consult factory |
|||||||||||||



